昱灿电子
专业 专注于电源器件

产品中心PRODUCT CENTER

联系方式contact us

深圳昱灿电子有限公司

电话:0755-27933516

联系人:石先生/谭小姐/李先生

地址:深圳市宝安区79区宝民二路好运来商务大厦B座

E-mail:sz.shi@163.com

网址:www.szyucan.com

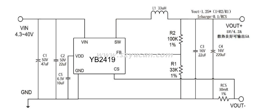
YB2419 40V 5A SOP8内置MOS 200KHZ定频 恒压限流可调 具100%占空比高效率同步降压 适用于车载供电等
昱灿 YB2419 SOP-8 DC-DC同步降压 40V 4A 100%占空比 恒压限流可调 可定白片

YB2419 主要应用产品领域:
YB2419 引脚兼容替代型号:


YB2419 产品手册/数据手册/PDF下载
YB2419.PDF