产品中心PRODUCT CENTER
联系方式contact us
深圳昱灿电子有限公司
电话:0755-27933516
联系人:石先生/谭小姐/李先生
地址:深圳市宝安区79区宝民二路好运来商务大厦B座
E-mail:sz.shi@163.com
网址:www.szyucan.com
G2403系列 锂电输入2.5-6V 输出最低电压0.6V 电流4-5A的DC-DC高效低工作电压降压芯片
G2403A QFN3x3-10 限流可调
G2403 QFN3x3-10 5V 4A 单节锂电供电且可输出电压低时仍能输出较大电流
G2403QDC QFN3x3-10 5V 4A 主推版本
G2403A QFN3x3-10 限流可调
G2403 QFN3x3-10 5V 4A 单节锂电供电且可输出电压低时仍能输出较大电流
G2403QDC QFN3x3-10 5V 4A 主推版本
G2403A内置5V/4A MOS同步降压稳压器
概述:
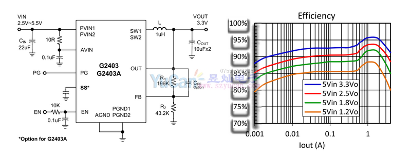
G2403/G2403A是一款4A高效恒定导通时间控制的同步降压转换器。它采用2.5V至6V的输入电压工作,输出范围为0.6V至输入电平,这要归功于其100%占空比工作。其先进的恒定导通时间控制Fast-PWM方案简化了环路补偿,并提供出色的负载瞬态响应,同时保持相对恒定的1.25MHZ开关频率。 G2403/G2403A消耗极低的15uA静态电流,因此可实现出色的轻载效率。控制环路中的高增益误差放大器提供出色的负载和线路调节对于容错操作,G2403/G2403a具有逐周期电流限制保护和短路或过载条件下的打嗝模式G2403/G2403A可用于QFN3*3mm封装,是高性能便携式应用的理想选择
特性:
宽输入范围2.5V至6V
高效率高达97%
输出电压低至0.6V
100%占空比工作
±1.5% 0.6V反馈电压精度
1.25MHz开关频率
15μA静态电流
连续输出电流高达4A
内置48mΩ和38mΩ电源开关
逐周期电流限制
短路和过载的打嗝模式
漏极开路电源良好指示
热关断保护
可使用低ESR陶瓷输出电容
采用小型QFN3*3mm 16L封装
符合无铅RoHS标准
典型应用:



